generate for
generate for 1
1
2
3
4
5
6
7
8
9
10
11
12
13
14
15
16
17
18
|
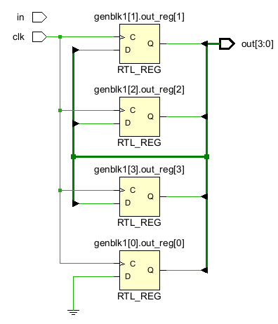
module generate_for1(
input logic clk,
input logic in,
output logic [3:0]out
);
genvar i;
generate
for(i=1;i<=3;i=i+1) begin
always_ff@(posedge clk) begin
out[0]<=in;
out[i]<=out[i-1];
end
end
endgenerate
endmodule
|

generate for2
1
2
3
4
5
6
7
8
9
10
11
12
13
14
15
16
17
18
|
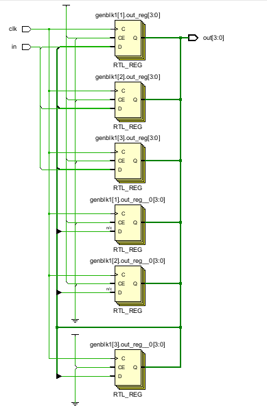
module generate_for1(
input logic clk,
input logic in,
output logic [3:0]out
);
genvar i;
generate
for(i=0;i<=3;i=i+1) begin
always_ff@(posedge clk) begin
//out[0]<=in;
out[i]<=out[i-1];
end
end
endgenerate
endmodule
|

草率了,忘记数组不能负索引了,但是负索引竟然可以综合
generate for3
1
2
3
4
5
6
7
8
9
10
11
12
13
14
15
16
17
18
19
20
21
22
|
module generate_for1(
input logic clk,
input logic in,
output logic [3:0]out
);
genvar i;
generate
for(i=1;i<=3;i=i+1) begin
always_ff@(posedge clk) begin
//out[0]<=in;
out[i]<=out[i-1];
end
always_ff@(posedge clk) begin
out[0]<=in;
end
end
endgenerate
endmodule
|

generate for 4
1
2
3
4
5
6
7
8
9
10
11
12
13
14
15
16
17
18
19
20
|
module generate_for1(
input logic clk,
input logic in,
output logic [3:0]out
);
genvar i;
generate
for(i=1;i<=3;i=i+1) begin
always_ff@(posedge clk) begin
//out[0]<=in;
out[i]<=out[i-1];
end
end
endgenerate
always_ff@(posedge clk) begin
out[0]<=in;
end
endmodule
|

for
for1
1
2
3
4
5
6
7
8
9
10
11
12
13
14
15
|
module for1(
input logic clk,
input logic in,
output logic [3:0]out
);
integer i;
always_ff@(posedge clk) begin
out[0]<=in;
for(i=1;i<=3;i=i+1) begin
out[i]<=out[i-1];
end
end
endmodule
|

for2
1
2
3
4
5
6
7
8
9
10
11
12
13
14
15
|
module for1(
input logic clk,
input logic in,
output logic [3:0]out
);
integer i;
always_ff@(posedge clk) begin
out[0]<=in;
for(i=0;i<=3;i=i+1) begin
out[i]<=out[i-1];
end
end
endmodule
|

草率了,忘记数组不能负索引了,但是负索引竟然可以综合